對夾式襯F4蝶閥是在過流部件、閥體、蝶板、閥桿上采用襯里技術襯里較厚的高分子材料,防腐蝕性能優良,可適用于任何濃度的酸、堿、鹽及氧化劑、還原劑、有機溶劑等介質,全襯聚四氟乙烯(F4)和聚全氟乙丙烯(F46)氣塑料襯里煤閥,具有耐腐蝕、無泄漏、壽命長等優點。耐腐蝕氣動蝶閥適用于濃硫酸、鹽酸、硝酸、氫氟酸、王水、各種有機酸、強酸、氧化性介質或高溫烯硫酸、高溫濃醋酸、酸堿交替及多種有機溶劑和其它強腐蝕性介質。
執行機構選型
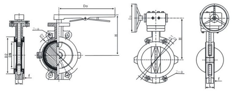
對夾式襯F4蝶閥通過支架和聯軸器和電動執行機構和氣動執行機構連接組成電動蝶閥(開關型和調節型控制信號4-20mA)和氣動蝶閥(開關型和調節型控制信號4-20mA)
| 序號 No |
零件名稱 Part Name |
精鑄球墨鑄鐵 Precision casting ductie iron |
碳鋼Carbon Steel | 不銹鋼Stainless Steel | |||
|---|---|---|---|---|---|---|---|
| QT | C | P | R | PL | RL | ||
| 1 | 上、下閥體 Upper and lower valve body |
QT400 | WCB | CF 8 | CF 8M | CF 3 | CF 3M |
| 2 | 蝶板Butterfiy plate | WCB | WCB | CF 8 | CF 8M | CF 3 | CF 3M |
| 3 | 閥軸Valve shaft | 1Cr13、40Cr ????2Cr13、40Cr ????1Cr18Ni9Ti、40Cr ????1Cr18N12Ti、40Cr00Cr18Ni10、40Cr00Cr17Ni14M02、40Cr | |||||
| 4 | 襯里層/閥座 lining layer/valve seat |
PTFE(F4)、FEP(F45)PFA(可溶SolubleF4)、PO(聚烯烴Polyolefin) | |||||
| 5 | O型圈O-rings | FEP+FPM(氟橡膠外包Fluorine rubber outsourcing F46) | |||||
| 6 | 彈性條(墊)Elastic mat | Si(硅橡膠Silicone rubber) | |||||
| 7 | 調節墊Adjust the pad | 0Cr18Ni9 | 0Cr18Ni9 | 1Cr18Ni9Ti | 1Cr18Ni12M02Ti | 00Cr18Ni10 | 00Cr18Ni14Mo2 |
| 8 | 螺栓Bolt | 35 | 35 | 1Cr17Ni2 | 1Cr17Ni2 | 1Cr18Ni9Ti | 1Cr18Ni9Ti |
| 9 | 螺母Not | 45 | 45 | 0Cr19Ni9 | 0Cr18Ni9 | 0Cr18Ni9 | 0Cr18Ni9 |
| 10 | 手柄Hand Shank | A3、Z | |||||
(1)聚四氟乙烯PTFE(F4)
適用介質:任何有機溶劑或試劑=稀或濃無機酸、堿、醇、酮、芳烴、氯化烴等。工作溫度:≤200℃。
特點:PTFE耐高溫性能好,可在-250℃-260℃溫度內長期使用耐磨性能好,靜摩擦系數是塑料中最小的,自潤滑性能優良;電絕緣性能優異,并且不受工作環境、溫度和頻率的影響,具有良好的耐電弧性,耐化學腐蝕性優良,除在高溫、高壓下氟元素和熔觸狀態的堿金屬對它有侵蝕作用,某些鹵化胺或芳香烴使其有輕微的膨脹外,其它諸如強酸、強堿、強氧化劑、油脂、酮、醚、醉等即使在高溫下也對它不起作用。
(2)聚全氟乙丙烯FEP(F46)
適用介質:任何有機溶劑或試劑、稀或轟無機酸、堿、酮、芳烴、氯化烴等。工作溫度≤200℃。
特點:力學、電性能和化學穩定性基本與F4相同,但突出優點是沖擊韌性高。即使帶缺口試樣也沖不斷,有極好的耐侯和輻射性,易于成型加工,是為了克服聚四氟乙烯成型加工困難而發展的一中含氟樹脂,除使用溫度低于F4外,其它都保持了聚四氟乙烯的優良性能。
(3)可溶性聚四氟乙烯(PFA)
適用介質:強酸、強堿、強氟化劑、有機溶劑等。工作溫度≤180℃。特點:類似F46的一中新型含氟樹脂,是為了克服聚四氟乙烯加工成型困難而發展的一個新品種,完全保持了聚四氟乙烯的優良性能,良好的機械、點絕緣性能,突出耐熱性和低摩擦性能、難燃、低煙、耐大氣性好。最大的優點是容易成型加工。
(4)聚三氟乙烯PCTFE(F3)
適用介質:各種有溶劑、無機腐蝕液(氧化劑酸類),工作溫度≤120℃。特點:耐熱性、電性能化學穩定性僅次于F4,機械強度、抗蠕性能、硬度比F4好。
(5)聚二氟乙烯PCTFE(F2)
適用介質:各耐大多數化學介質和溶劑。工作溫度≤120℃。
特點:拉伸強度和壓縮強度比F4好,耐磨損和冷流性好;耐候、耐輻射和抗老化等,而最大特點是粘結力大,韌性好,易成型。
(6)增強性聚丙烯(FRPP)
適用介質:無機鹽類的水溶液、無機酸類、堿類的稀或濃溶液。工作溫度≤120℃特點:是最輕的塑料之一,其屈服、拉伸和壓縮強度、硬度均優于低壓聚乙烯,有很突出的鋼性,耐熱性好,易成型。改性后沖擊性、流動性、彎曲彈性模數高。
(7)改性聚烯烴(PO)
適用介質:各種濃度的酸、堿鹽及某些有機溶劑。工作溫度≤110℃
特點:是目前世界上最理想的防腐蝕、防靜電、無毒害、強度高的優質材料,已廣泛旋轉成型的大型設備和閥門管道作內襯。廣泛應用于化工、冶金、食品、紡織等行業。
(8)超高分子量聚集乙烯(UHMW-PE)
適用介質:能耐腐蝕性介質(酸、堿、鹽,但氧化性酸除外)及有機溶劑。工作溫度:≤100℃。特點:具有突出耐磨性、低磨擦系數和自潤滑性;優良的耐應力開裂性、耐高溫蠕變性;優良的拉伸強度,極高的沖擊強度。具有卓越的化學穩定性;表面無吸附力,電絕緣性優良;無毒性等綜合能。
| 公稱通徑 Nominal Diameter |
主要尺寸Main Dimensions | 參考值Reference | |||||||||||||
|---|---|---|---|---|---|---|---|---|---|---|---|---|---|---|---|
| L | D | D1 | D2 | f | Z- φd | L | D | D1 | D2 | f | Z- φd | Do | H | ||
| mm | nch | PN0.6MPa | PN1.0MPa | ||||||||||||
| 40 | 11/2 | 33 | 130 | 100 | 80 | 3 | 4-14 | 33 | 150 | 110 | 85 | 3 | 4-18 | 150 | 140 |
| 50 | 2 | 43 | 140 | 110 | 90 | 3 | 4-14 | 43 | 165 | 125 | 100 | 3 | 4-18 | 150 | 140 |
| 65 | 21/2 | 46 | 160 | 130 | 110 | 3 | 4-14 | 46 | 185 | 145 | 120 | 3 | 4-18 | 150 | 150 |
| 80 | 3 | 46 | 190 | 150 | 125 | 3 | 4-18 | 46 | 200 | 160 | 135 | 3 | 8-18 | 150 | 165 |
| 100 | 4 | 52 | 210 | 170 | 145 | 3 | 4-18 | 52 | 220 | 180 | 155 | 3 | 8-18 | 200 | 180 |
| 125 | 5 | 56 | 240 | 200 | 175 | 3 | 8-18 | 56 | 250 | 210 | 185 | 3 | 8-18 | 200 | 200 |
| 150 | 6 | 56 | 265 | 225 | 200 | 3 | 8-18 | 56 | 285 | 240 | 210 | 3 | 8-23 | 280 | 220 |
| 200 | 8 | 60 | 320 | 280 | 255 | 3 | 8-18 | 60 | 340 | 295 | 265 | 3 | 8-23 | 280 | 270 |
| 250 | 10 | 68 | 375 | 335 | 310 | 3.5 | 12-18 | 68 | 395 | 350 | 320 | 3.5 | 12-23 | 200 | 320 |
| 300 | 12 | 78 | 440 | 395 | 363 | 3.5 | 12-23 | 78 | 445 | 400 | 370 | 3.5 | 12-23 | 240 | 330 |
| 350 | 14 | 78 | 490 | 445 | 413 | 4 | 12-23 | 78 | 505 | 460 | 430 | 4 | 16-23 | 240 | 385 |
| 400 | 16 | 102 | 540 | 495 | 463 | 4 | 16-23 | 102 | 565 | 515 | 480 | 4 | 16-26 | 280 | 430 |
| 450 | 18 | 114 | 595 | 550 | 518 | 4 | 16-23 | 114 | 615 | 565 | 530 | 4 | 20-26 | 280 | 480 |
| 500 | 20 | 127 | 645 | 600 | 568 | 5 | 20-23 | 127 | 670 | 620 | 580 | 5 | 20-26 | 320 | 540 |
| 600 | 24 | 154 | 755 | 705 | 667 | 5 | 20-26 | 154 | 780 | 725 | 680 | 5 | 20-30 | 320 | 610 |
| 700 | 28 | 165 | 860 | 810 | 772 | 5 | 24-26 | 165 | 895 | 840 | 795 | 5 | 24-30 | 360 | 650 |
| 800 | 32 | 190 | 975 | 920 | 878 | 5 | 24-30 | 190 | 1015 | 950 | 900 | 5 | 24-33 | 360 | 710 |
| 900 | 36 | 203 | 1075 | 1020 | 980 | 5 | 24-30 | 203 | 1115 | 1050 | 1000 | 5 | 28-33 | 380 | 780 |
| 1000 | 40 | 216 | 1175 | 1120 | 1080 | 5 | 28-30 | 216 | 1230 | 1160 | 1115 | 5 | 28-36 | 400 | 900 |
| 1200 | 48 | 254 | 1405 | 1340 | 1295 | 5 | 32-33 | 254 | 1455 | 1380 | 1330 | 5 | 32-39 | 400 | 1050 |
| mm | inch | PN1.6MPa | PN2.5MPa | ||||||||||||
| 40 | 11/2 | 33 | 150 | 110 | 85 | 3 | 4-14 | 33 | 150 | 110 | 85 | 3 | 4-18 | 150 | 140 |
| 50 | 2 | 43 | 165 | 125 | 100 | 3 | 4-18 | 43 | 165 | 125 | 100 | 3 | 4-18 | 150 | 140 |
| 65 | 21/2 | 46 | 185 | 145 | 12 | 3 | 4-18 | 46 | 185 | 145 | 120 | 3 | 8-18 | 150 | 150 |
| 80 | 3 | 46 | 200 | 160 | 135 | 3 | 8-18 | 46 | 200 | 160 | 135 | 3 | 8-18 | 150 | 165 |
| 100 | 4 | 52 | 220 | 180 | 155 | 3 | 4-18 | 52 | 235 | 190 | 155 | 3 | 8-23 | 200 | 180 |
| 125 | 5 | 56 | 250 | 210 | 185 | 3 | 8-18 | 56 | 270 | 220 | 185 | 3 | 8-27 | 200 | 200 |
| 150 | 6 | 56 | 285 | 240 | 210 | 3 | 8-23 | 56 | 300 | 250 | 210 | 3 | 8-27 | 280 | 220 |
| 200 | 8 | 60 | 340 | 295 | 265 | 3 | 12-27 | 60 | 360 | 310 | 275 | 3 | 12-27 | 280 | 270 |
| 250 | 10 | 68 | 405 | 355 | 320 | 3.5 | 12-27 | 68 | 425 | 370 | 330 | 3.5 | 12-30 | 200 | 320 |
| 300 | 12 | 78 | 460 | 410 | 370 | 3.5 | 12-27 | 78 | 485 | 430 | 390 | 3.5 | 12-30 | 240 | 330 |
| 350 | 14 | 78 | 520 | 470 | 430 | 4 | 16-27 | 78 | 555 | 490 | 450 | 4 | 16-33 | 240 | 385 |
| 400 | 16 | 102 | 580 | 525 | 480 | 4 | 16-30 | 102 | 620 | 550 | 505 | 4 | 16-36 | 280 | 430 |
| 450 | 18 | 114 | 640 | 585 | 550 | 4 | 20-30 | 114 | 670 | 600 | 550 | 4 | 20-36 | 280 | 480 |
| 500 | 20 | 127 | 715 | 650 | 610 | 5 | 20-33 | 127 | 730 | 660 | 610 | 5 | 20-36 | 320 | 540 |
| 600 | 24 | 154 | 840 | 770 | 720 | 5 | 20-36 | 154 | 320 | 610 | |||||
| 700 | 28 | 165 | 910 | 840 | 759 | 5 | 24-36 | 165 | 360 | 650 | |||||
| 800 | 32 | 190 | 1025 | 950 | 900 | 5 | 24-39 | 190 | 360 | 740 | |||||
| 900 | 36 | 203 | 1125 | 1050 | 1000 | 5 | 28-39 | 203 | 380 | 780 | |||||
| 1000 | 40 | 216 | 1255 | 1170 | 1110 | 5 | 28-42 | 216 | 400 | 900 | |||||
| 1200 | 48 | 254 | 1485 | 1390 | 1330 | 5 | 32-48 | 254 | 400 | 1050 | |||||